Generalidades
La señal de audio una vez recuperada en el detector, es necesario elevar su nivel a valores necesarios para que sea percibida por el oído humano. Esta labor la cumple el circuito amplificador de audio que podemos dividirla en dos partes: el pre-amplificador que amplifica voltaje y el amplificador de potencia que amplifica corriente.
Realización Práctica
EQUIPO Y MATERIALES
- Generador de señales, Osciloscopio
- Protoboard, Cables de alambre telefónico
- Multímetro analógico y/o digital
- Puntas de prueba
- Alicates, cautín, herramientas afines y componentes para el circuito.
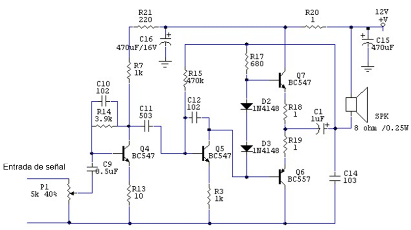
Se procedió a construir el circuito mostrado a continuación en el protoboard.

Una vez armado y revisado, se procedió a conectarlo a una fuente de alimentación, con un voltaje regulado de 12V. A continuación, se midió los voltajes colector-emisor (VCE) de los 4 transistores que forman parte del circuito (Q7,Q6,Q5 y Q4).

Voltajes VCE obtenidos
| Q4 | Q5 | Q6 | Q7 | |
| VCE | 0.62V | 5.45V | 6.01V | 5.94V |
Prueba en el Osciloscopio
Para esta prueba el generador de señales se calibra para que entregue una señal de 1 Khz y 2mV, y se aplica a la entrada de señal, en los extremos del potenciómetro P1. Este último se retocó para que no exista distorsión de la señal en la salida. También para efectos de esta prueba, se reemplazo el parlante de la salida por una resistencia de 8 ohm 1/2W.
En el osciloscopio utilizamos los dos canales de entrada disponibles para poder visualizar en forma simultánea la señal de entrada y salida de cada etapa amplificadora.
Medida de señal de entrada y el colector de Q4

Medida entre colector de Q4 y el colector de Q5

Medida entre colector de Q5 y el emisor de Q6

Medida entre colector de Q5 y el emisor de Q7

Medida entre la entrada de señal y la salida

CUADRO RESUMEN
| Entrada | Salida | Desfase (Entrada – Salida) | |
| Entrada Colector Q4 | 0.2mV | 0.23mV | 180º |
| Colector Q4 – Colector Q5 | 0.23mV | 2.0V | 180º |
| Colector Q5 – Emisor Q6 | 2.0V | 1.8V | Sin desfase |
| Colector Q5 – Colector Q7 | 2.0V | 1.8V | Sin desfase |
| Entrada Salida | 0.2mV | 2.2V | Sin desfase |
Ganancia Parcial y Total de Voltaje
| Ganancia (V Entrada – V Salida) | |
| Entrada Colector Q4 | 0.03mV |
| Colector Q4 – Colector Q5 | 1.9977V |
| Colector Q5 – Emisor Q6 | -0.2V |
| Colector Q5 – Emisor Q6 | -0.2V |
| Entrada – Salida | 2.197V |
DEFINICION DE AMPLIFICADOR DE AUDIO
Podemos definir el amplificador de audio como un circuito encargado de aumentar el nivel de las señales audibles a valores que se puedan ser captados normalmente por el oído humano. Este nivel de amplificación es ajustado por el potenciómetro que regula la cantidad de señal que va a ser amplificada.
Este circuito amplificador tiene 2 partes: un preamplificador que amplificará el voltaje de la señal y un amplificador de potencia o etapa de salida que amplificará la corriente.
Comentarios y conclusiones
La señal de entrada presenta un aumento de nivel de voltaje, como se ve en el cuadro hasta el transistor Q5 y, además, la onda se encuentra desfasada 180º para la medida entrada – colector Q4 y, nuevamente, se desfasa 180º en la medida colecto Q4 – Colector Q5. Hasta aquí se ha amplificado el voltaje de la señal de entrada. En la siguiente etapa correspondiente al amplificador de potencia (simetría complementaria) formado por Q6 y Q7 se debe amplificar la corriente (Esto no ha sido comprobado en el laboratorio).
Las medidas entre colector de Q5 y emisor de Q6 y entre colector de Q5 y colector de Q7 son ambas de 1.8V, existe una disminución del voltaje en la salida de cada transistor (Q6, Q7) pero hay que recordar que estos trabajan en conjunto (simetría complementaria), por lo tanto cada transistor conduce según el semiciclo de la señal que este procesando ya sea positivo o negativo y la salida total se vería en la carga. Para corroborar esto, la medida entrada – salida arroja un incremento de 0.2mV a 2.2V.
Esta última medida de 2.2V da como resultado un mínimo incremento de tensión si consideramos a Q6 y Q7 como una sola entidad, pues se incrementa de 2.0V a 2.2V. Teóricamente en esta etapa, lejos de esperarse un incremento de tensión significativo, se ha incrementado más bien la corriente, característica principal en los amplificadores de potencia.
¿Cómo citar este artículo?
- En APA: Vasquez Barrios, J. (5 de abril de 2026). Receptor de radio AM – Lab. 2 – Amplificador de Audio. Blog de Tito. https://blogdetito.com/2026/04/05/receptor-de-radio-am-lab-2-amplificador-de-audio/
- En IEEE: J. Vasquez Barrios. (2026, abril 5). Receptor de radio AM – Lab. 2 – Amplificador de Audio. Blog de Tito. [Online]. Available: https://blogdetito.com/2026/04/05/receptor-de-radio-am-lab-2-amplificador-de-audio/
- En ICONTEC: VASQUEZ BARRIOS, Juan Carlos. Receptor de radio AM – Lab. 2 – Amplificador de Audio [blog]. Blog de Tito. Lima Perú. 5 de abril de 2026. Disponible en: https://blogdetito.com/2026/04/05/receptor-de-radio-am-lab-2-amplificador-de-audio/
Dejar una contestacion