Generalidades
La sección de mezclador/convertidor consta de una etapa osciladora de radiofrecuencia (llamada comúnmente oscilador local) y una etapa de mezclador/convertidor (llamada comúnmente el primer detector) La frecuencia del oscilador local, combinada con la señal entrante, produce otra frecuencia por acción heterodina. En nuestro receptor superheterodino, la señal entrante es la portadora modulada de la estación que se recibe.
La etapa del mezclador es un dispositivo no lineal y su propósito es convertir radiofrecuencias a frecuencias intermedias (traslación de frecuencias de RF a IF) El heterodinaje se lleva a cabo en esta etapa y las radiofrecuencias se convierten a frecuencias intermedias. Aunque las frecuencias de la portadora y banda lateral se trasladan de RF a IF, la forma de la envolvente permanece igual y, por lo tanto, la información original contenida en la envolvente permanece sin cambios. Es importante observar que, aunque la portadora y las frecuencias laterales superiores e inferiores cambian de frecuencia, el proceso de heterodinaje no cambia el ancho de banda.

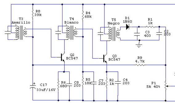
El circuito arriba mostrado presenta la etapa de FI de nuestro Receptor Superheterodino, desde el trasformador de señal T3 (Amarillo) hasta el transformador T5 (Negro). Los transistores Q2 y Q3 son los encargados de amplificar la señal de FI y por consiguiente tienen una ganancia.
Realización Práctica
EQUIPO Y MATERIALES
- Generador de señales (Con modulación Interna)
- Protoboard, Cables de alambre telefónico
- Osciloscopio
- Multímetro analógico y/o digital
- Puntas de prueba
- Alicates, cautín, herramientas afines y componentes para el circuito.
Se procedió a agregar la etapa de FI a la etapa de audio previamente construida en el anterior laboratorio. Una vez armado y revisado se procedió a medir los voltajes colector – emisor de los transistores Q2, Q3, Q4, Q5, Q6 y Q7.
| Q4 | Q4 | Q4 | Q5 | Q6 | Q7 | |
| VCE | 5.83V | 8.69V | 0.62V | 5.45V | 6.01V | 5.94V |

A continuación realizaremos 2 pruebas para esta etapa.
PRUEBA 1 (Sin Vcc)
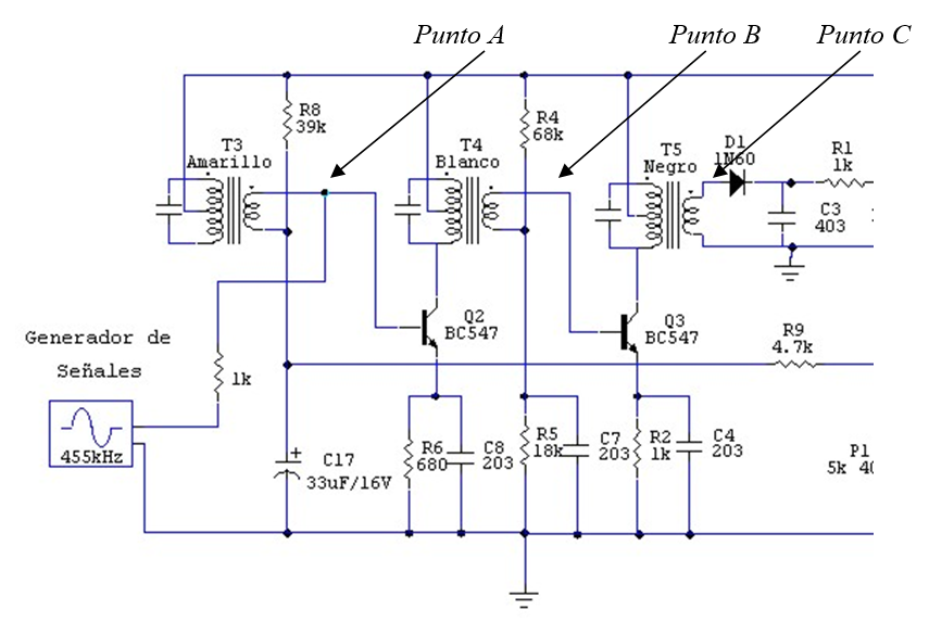
Esta primera prueba consiste en realizarla sin voltaje de alimentación, conectando el generador de señales (Calibrado a 455 Khz con modulación interna) al bobinado secundario del transformador amarillo, mediante una resistencia de 300 a 1kohm en serie con el generador de señales.
Luego procedemos a conectar el osciloscopio en los secundarios de los 3 transformadores empleados para esta etapa. (Amarillo, blanco y negro). En cada punto, se procede a retocar con un desarmador los transformadores de FI para máxima salida en el osciloscopio.

Resultados Obtenidos
En el Punto A

En el punto B

En el Punto C

PRUEBA 2 (Con Vcc = 12V)
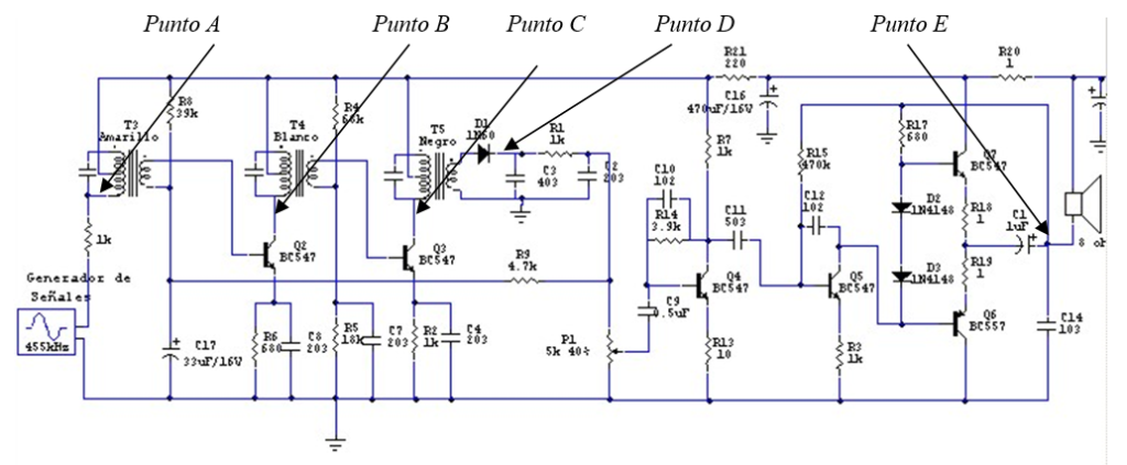
Esta segunda prueba consiste en realizarla con voltaje de alimentación = 12V, conectando el generador de señales (Calibrado a 455 Khz con modulación interna) al bobinado primario del transformador amarillo, mediante una resistencia de 300 a 1kohm en serie con el generador de señales.
Luego procedemos a conectar el osciloscopio en los colectores de Q2,Q3, Detector y salida de audio. En cada punto, se procede a retocar nuevamente con un desarmador los transformadores de FI para máxima salida en el osciloscopio.

Resultados Obtenidos
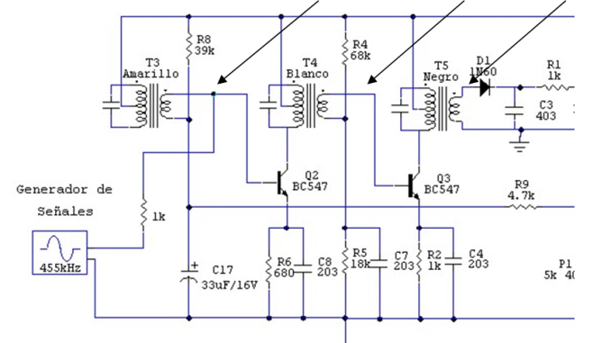
Puntos A y B (Entrada – Q2)

Puntos B y C (Q2-Q3)

Punto D

Punto E

CUADRO RESUMEN
| Entrada | Salida | |
| Entrada – Colector Q2 | 0.25V | 0.55V |
| Colector Q2 – Colector Q3 | 0.55V | 3.8V |
GANANCIA DE LOS AMPLIFICADORES DE FI
| Ganancia (V Entrada – V Salida) | |
| Entrada Colector Q2 | 0.3V |
| Colector Q2 – Colector Q3 | 3.25V |
| Entrada – Colector Q3 | 3.55V |
Comentarios y conclusiones
En la prueba 1 sin voltaje, se ha calibrado la señal modulada de 455 Khz para la etapa de FI, esta etapa se encargará de filtrar señales parásitas y de amplificar una señal limpia y estable, lo que le da más selectibilidad y sensitividad a nuestro receptor. Esta etapa está diseñada para amplificar específicamente una señal de 455 Khz, por lo que los transformadores se calibrarán para un nivel máximo de salida, dado que estos resuenan en un ancho de banda de 200 Khz. El nivel de la señal se reduce con cada etapa amplificadora, ya que no tiene alimentación pero será una primera calibración para nuestro receptor que nos indicará mayormente el funcionamiento correcto de los transformadores y de los componentes adyacentes.
En la prueba 2 se puede apreciar significativamente el aumento de nivel de la señal, ya que al recibir alimentación, el circuito comienza a amplificar (Colector de Q2 y Q3). En esta etapa se realiza una segunda calibración hasta una máxima lectura en el osciloscopio, calibración que será definitiva y dejará lista esta etapa para ser conectada al mezclador y RF.
En los puntos D y E se muestran señales conocidas, mostradas y estudiadas en los anteriores laboratorios, corroborando de esta forma el correcto funcionamiento hasta este laboratorio de nuestro receptor.
¿Cómo citar este artículo?
- En APA: Vasquez Barrios, J. (5 de abril de 2026). Receptor de radio AM – Lab. 3 – Etapa de FI. Blog de Tito. https://blogdetito.com/2026/04/05/receptor-de-radio-am-lab-3-etapa-de-fi/
- En IEEE: J. Vasquez Barrios. (2026, abril 5). Receptor de radio AM – Lab. 3 – Etapa de FI. Blog de Tito. [Online]. Available: https://blogdetito.com/2026/04/05/receptor-de-radio-am-lab-3-etapa-de-fi/
- En ICONTEC: VASQUEZ BARRIOS, Juan Carlos. Receptor de radio AM – Lab. 3 – Etapa de FI [blog]. Blog de Tito. Lima Perú. 5 de abril de 2026. Disponible en: https://blogdetito.com/2026/04/05/receptor-de-radio-am-lab-3-etapa-de-fi/
Dejar una contestacion